任意解流流固耦合数值方法及在砂土渗流分析中应用

    Arbitrary resolved-unresolved CFD-DEM coupling method and its application to seepage flow analysis in sandy soil

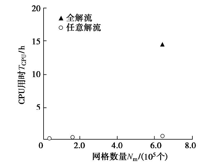
    • 摘要: 基于欧拉-拉格朗日连续体与非连续体耦合理论进行岩土工程流固耦合问题分析是一种较新颖和盛行的方法。针对该理论下的全解流(Fully-resolved)耦合与非解流(Un-resolved)耦合方法各自的缺陷,在已有的半解流(Semi-resolved)流固耦合数值方法(将全解流与非解流联合)基础上,通过引入修正的高斯权函数,建立了新的任意解流流固耦合方法(Arbitrary Resolved-Unresolved CFD-DEM coupling method)。该任意解流流固耦合方法能够较好地解决全解流方法中由于对粗颗粒周围流场精细化所带来的计算量过大问题;同时,成功地解决了流体网格内细颗粒较大时无法获得局部平均化变量问题;因此,该方法能够对具有一定粒径级配砂土土体的流固耦合问题开展模拟分析。通过室内砂土向上渗流试验,对所建立的任意解流流固耦合方法的准确性和有效性进行了验证;进一步地,采用该任意解流流固耦合模型,从细观层面上分析和研究了砂土渗流过程中水力梯度、土体变形随渗流速度变化规律。建立的任意解流流固耦合方法能够为岩土工程土体渗流问题的研究提供新的方法和手段。

       

      Abstract: The Euler-Lagrange coupling scheme based on the continuous and discrete theories has been becoming increasingly popular in numerical analysis of fluid-particle interaction. In this study, by introducing the modified Gaussian weighting function, a new arbitrary resolved-unresolved CFD-DEM coupling method (ARU CFD-DEM) is proposed based on the authors’ previous developed semi-resolved coupling approach by combing the fully-resolved and un-resolved coupling methods. This ARU CFD-DEM method is powerful to relieve the overload in computation due to refining the flow field around the coarse particles in the fully-resolving method. At the same time, it is also able to solve the difficulty in computing the local averaging variables when fine particles with large diameter exist in fluid grids. By doing so, the ARU CFD-DEM is able to simulate the fluid-particle interaction in sand mass which contains a wide range of particle diameters. By comparing with the results of upward seepage flow tests in sand, the accuracy and effectiveness of ARU CFD-DEM model is verified. Furthermore, the hydraulic gradient-flow velocity relationship and soil deformation-flow velocity relationship in the upward seepage flow are analyzed on the particle-scale by the ARU CFD-DEM. The proposed ARU CFD-DEM model can provide a new tool for investigating the fluid-particle interaction in the seepage flow in geotechnical engineering.

       

    /

    返回文章
    返回