压缩荷载下饱和硬岩软化特性与机制研究

    Moisture-induced softening characteristics and mechanisms of saturated hard rocks under compression

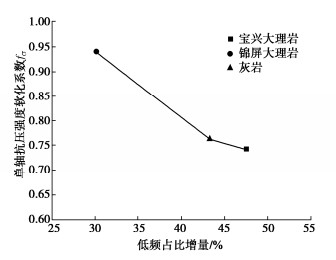
    • 摘要: 环境中的水与岩石的相互作用易导致岩石物理力学性能劣化,即岩石水软化现象。目前,饱和硬岩的水软化特性研究尚不完善,明确各种水岩作用机制的存在条件和作用程度仍是一项挑战性的任务。以不同矿物成分和微结构的典型硬岩(宝兴大理岩、锦屏大理岩、灰岩)为研究对象,进行干燥、饱和状态下3种硬岩的单轴压缩试验和声发射试验,分析硬岩压缩强度、弹性模量、破裂形态等力学特性和声发射波形信号主频统计特征,并探讨了水岩作用机制之孔隙水压力的存在条件和作用程度。结果表明:硬岩饱和后,单轴抗压强度和弹性模量均减小,张拉裂纹和张拉破坏面增多。硬岩破坏的声发射信号表现为明显的、与岩石类型和含水状态无关的双主频特征。硬岩饱和后,声发射高主频带波形信号明显减少,低主频带波形信号显著增加。孔隙水压力是3种饱和硬岩性能劣化的主导因素,其作用强弱与声发射低主频信号多少存在对应关系,且取决于岩石的矿物成分和孔隙结构。

       

      Abstract: The water-rock interaction in rock mass engineering can lead to physical and mechanical deterioration of rock, that is, the moisture-induced softening phenomenon of rock. Currently, the studies on the moisture-induced softening properties of saturated hard rocks are not comprehensive, and it is still challenging to evaluate the triggering condition and extent of effects related to various water-rock interactions. By choosing the typical hard rocks with different mineral compositions and microstructures (i.e., Baoxin marble, Jinping marble, and limestone), the uniaxial compression tests, along with the acoustic emission (AE) monitoring, of three kinds of hard rocks under dry and saturated conditions are carried out. The mechanical properties of rock including uniaxial compressive strength (UCS), elastic modulus and failure patterns as well as the statistical characteristics of the dominant frequency of AE waveforms are analyzed. Further, the triggering condition and extent of the pore water pressure effects of these three kinds of rocks are evaluated. The results show that when the hard rocks are saturated, the UCS and elastic modulus both decrease, and the tensile cracks and tensile failure surfaces increase. The twin-peak feature of the dominant frequency of all AE waveforms is exhibited, which is independent of the hard rock types and soaking states. As the hard rocks are saturated, the number of AE waveforms in high dominant frequency bands reduces remarkably, while that in low dominant frequency bands increases significantly. The effect of pore water pressure, which corresponds to the low dominant frequency of AE waveforms, is the main factor responsible for the mechanical degradation of three kinds of saturated hard rocks, and its intensity depends on the mineral composition and pore structure of rock.

       

    /

    返回文章
    返回