考虑软黏土循环弱化效应的桩基承载力计算方法

    Bearing capacity of pile foundation in soft clay under cyclic loading

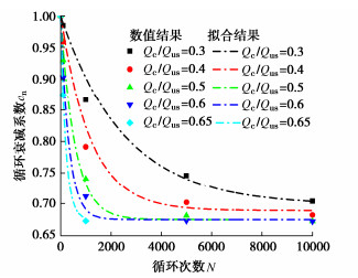
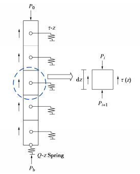
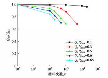
    • 摘要: 在循环荷载的作用下,软黏土的强度与刚度会随着循环荷载的持续作用而降低。目前针对循环荷载作用下软黏土地基中的桩侧荷载传递模型的研究大多基于双曲线模型提出的,模型较为复杂且计算效率低,针对该问题,首先引入一个可以描述软黏土循环弱化特性的土体力学模型,利用ABAQUS子程序二次开发实现了土体的循环弱化特性并引入到桩土相互作用模型的计算中。同时对传统静力桩侧荷载传递模型进行了改进,提出了一个可考虑软黏土循环弱化效应的桩侧荷载传递三折线模型;然后基于荷载传递法的思路建立了桩基承载力的计算方法,该方法可以考虑软黏土的循环弱化效应;将该方法得到的计算结果与相关文献中的模型试验结果进行对比验证,证明了提出的考虑软黏土循环弱化效应的桩基承载力计算方法的正确性和有效性。最后,在海上风电桩基的实际工程中应用该方法进行桩基极限承载力的计算,并分析了循环次数以及循环荷载水平对极限承载力的影响。

       

      Abstract: It is known that the strength and stiffness of soft clay will decrease with the continuous action of cyclic loading. Currently, the majority of studies on load transfer models for piles in soft clay under cyclic loading are based on the hyperbolic model, which are more complex and less efficient. In this study, a mechanical model for soils considering the cyclic weakening effects of soft clay is proposed. The secondary development of the ABAQUS subroutine is utilized to describe the cyclic weakening characteristics of soils, and the method is introduced into the calculation of the pile-soil interaction model. The conventional static load transfer model for piles is enhanced, and a trilinear model for resistance force of piles that can account for the cyclic weakening effects of soft clay is proposed. A method for calculating the bearing capacity of pile foundation is established based on the load transfer method with the cyclic weakening effects of soils. The calculated results are compared with those of the model tests, and the correctness of the proposed method considering the cyclic weakening effects of soft clay is verified. Finally, the method is applied to the calculation of the ultimate bearing capacity of pile foundation in an actual project of offshore wind power pile foundation. It is found that when the monopile foundation in soft clay is subjected to cyclic loading, the ultimate bearing capacity of the monopile will show a tendency of first fast and then slow attenuation with the increase of the number of cycles. With the increase of the cyclic loading level, the decay rate of the ultimate bearing capacity of the monopile increases, and the increase rate is from slow to fast. When the cyclic loading level exceeds a certain limit value, the decay rate of the ultimate bearing capacity increases rapidly.

       

    /

    返回文章
    返回