咸水层CO2地质封存储层岩石化学损伤及力学性质劣化试验研究

    Experimental study on chemical damage and mechanical property degradation of reservoir rocks during process of CO2 geological storage in a saline aquifer

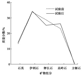
    • 摘要: 为了探究超临界二氧化碳注入咸水层后储层岩石的化学损伤规律,利用自制的恒温恒压超临界CO2-水-岩石热流固化耦合试验系统,测试反应前后储层岩心矿物组分、微观结构、矿物元素及氧化物的变化,分析反应溶液pH值和钙、钾、镁离子浓度的变化规律,研究反应前后储层岩心试样质量、单轴抗压强度、弹性模量、泊松比等物理力学参数演化规律,揭示超临界二氧化碳注入咸水层后储层岩石的化学损伤特征和力学性质劣化规律。研究结果表明:随着反应时间延长,方解石和钾长石的质量分数逐渐减少,钙元素、钾元素及其氧化物的质量分数也随之减少,试样表面粗糙度增大,产生了溶蚀孔;反应溶液的pH值从7.19降至5.68,方解石溶解速率最快,其次是钾长石,最后是伊利石;反应时间内,试样的质量溶蚀率、泊松比逐渐增大,单轴抗压强度和弹性模量逐渐减小。此外,试样的单轴抗压强度与化学作用时间呈指数函数关系,弹性模量、泊松比与化学作用时间呈三次多项式函数关系,据此建立了化学损伤作用下储层岩石的强度预测模型。以弹性模量为损伤变量,得到了岩心的单轴抗压强度和损伤变量之间的关系,揭示了储层岩石的化学损伤机制。

       

      Abstract: To investigate the chemical damage mechanism of reservoir rocks following the injection of the supercritical CO2 into a saline aquifer, a self-made thermal-hydrological-mechanical-chemical coupled experimental system of the supercritical CO2-water-rock at constant temperature and pressure is established, which is used to test the changes of mineral components, microstructure, mineral elements and oxides of reservoir rocks before and after the reaction. And the changes of pH value and concentrations of Ca2+, K+, Mg2+ ions of the reaction solution are analyzed. Furthermore, this study focuses on elucidating the evolutionary patterns of physical and mechanical parameters, including mass, uniaxial compressive strength, elastic modulus, and Poisson's ratio. The experimental study reveals the chemical damage characteristics and mechanical property degradation of reservoir rocks after the supercritical CO2 injected into a saline aquifer. The results show that the mass fractions of calcite and K-feldspar decrease gradually as the reaction time increases, and those of calcium, potassium and their oxides also decrease, resulting in the presence of corrosion cavities. The pH value of the reaction solution decreases from 7.19 to 5.68, and the corrosion rate of calcite is the fastest, followed by that of K-feldspar, and finally that of illite. During the reaction time, the mass corrosion rate and Poisson's ratio of reservoir rocks gradually increase, and the uniaxial compressive strength and elastic modulus gradually decrease. The uniaxial compressive strength of reservoir rocks shows an exponential function relationship with reaction time. The elastic modulus and Poisson's ratio show a cubic polynomial function relationship with reaction time. The strength prediction model for the reservoir rocks under chemical reaction is established. Taking the elastic modulus as the damage variable, the relationship between the uniaxial compressive strength and the damage variable of reservoir rocks is obtained, which reveals the chemical damage mechanism of reservoir rocks.

       

    /

    返回文章
    返回