PHD疏浚淤泥堆场大应变非线性固结分析

    Large-strain nonlinear consolidation of dredged sludge yards with PHDs

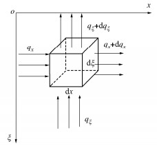
    • 摘要: 已有的工程实践和室内模型试验均表明铺设水平排水板(Prefabricated Horizontal Drains, PHDs)可有效加快疏浚淤泥的固结。但目前自重作用下能全面反映疏浚淤泥特性的PHD处理疏浚淤泥堆场的大应变固结理论尚缺乏系统性研究。针对底层铺设PHD的疏浚淤泥堆场具有平面渗流、竖向应变的特点,基于Gibson大应变固结理论,考虑疏浚淤泥的非线性压缩和渗透特性,建立PHD处理的疏浚淤泥堆场大应变非线性固结模型,并应用有限差分法获得该模型的解答。通过与疏浚淤泥自重作用下未设置PHD的大应变固结模型解答开展对比分析,验证了PHD处理疏浚淤泥堆场大应变非线性固结模型及其解答的可靠性。在此基础上,分析了不同影响因素对疏浚淤泥堆场大应变固结的影响。分析发现:铺设率达到一定值后就可达到与底部完全透水边界相同的固结速率,且该值随堆放高度的增加而曲线减小;堆放高度分别为1,5 m时,PHD最佳铺设率分别约为50%,27%;堆放高度对PHD处理堆场的固结速率影响较大,可通过增设PHD层数以加快堆场的固结速率;淤泥压缩指数一定时,固结速率随渗透指数的增大而增大;渗透指数保持不变时,固结速率随压缩指数的增大而减小。

       

      Abstract: Engineering practices and indoor model tests indicate that laying prefabricated horizontal drains (PHDs) can effectively accelerate the consolidation of dredged sludge yards. However, the large-strain self-weighted consolidation theory of dredged sludge yards with PHDs, in which the characteristics of dredged sludge can be fully considered, lacks systematic researches. In this study, based on the Gibson's large-strain consolidation theory and considering the nonlinear compressibility and permeability of dredged sludge, a large-strain nonlinear consolidation model for PHD-treated sludge yards with planar seepage and vertical strain is established, and the solution for this model is obtained by the finite difference method. The reliability of the large-strain nonlinear consolidation model and its solution for the PHD-treated sludge yards is verified by comparing with that for the large-strain self-weighted consolidation of dredged sludge yards without PHDs. On this basis, the influences of different factors on large-strain consolidation behaviors of dredged sludge yards are investigated. The results show that: (1) The consolidation rate can be achieved at the same level as the fully permeable boundary at the bottom once the rate of laying PHDs reaches a certain value, and the optimal rate of laying PHDs decreases with the increase of the stacking height of dredged sludge yards. (2) The optimal rates of laying PHDs are 50% and 27% for stacking heights of 1 and 5 m, respectively. (3) The stacking height has a great influence on the consolidation rate of yards treated with PHDs, and the consolidation rate of yards can be accelerated by increasing the number of PHD layers. (4) The consolidation rate increases with the increase of the permeability index when the compression index keeps fixed. (5) The consolidation rate decreases with the increase of the compression index when the permeability index remains constant.

       

    /

    返回文章
    返回