多层非均质边坡降雨入渗分析的改进Green-Ampt模型

    An improved Green-Ampt model for rainfall infiltration analysis of multi-layered heterogeneous soil slopes

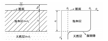
    • 摘要: 边坡降雨入渗分析对于降雨型滑坡加固设计、治理和风险防控至关重要。经典的Green-Ampt模型参数虽然具有明确的物理意义,计算便捷,但是忽略了入渗区客观存在的过渡层,并且不能有效分析考虑土体渗透系数空间变异性的多层非均质边坡降雨入渗问题。为此,提出了一种适用于多层非均质边坡降雨入渗分析的改进Green-Ampt模型,考虑了降雨入渗的椭圆形过渡层,推导了不同降雨历时下边坡含水率分布情况。同时,以无限长边坡模型为例,通过4种常见的边坡工况验证了该模型的有效性,并进行了降雨入渗条件下非均质边坡稳定性分析。结果表明:对于设定的4种工况,提出的改进Green-Ampt模型计算的边坡体积含水量分布、安全系数和滑动面深度与Richards方程数值解吻合,而基于修正Green-Ampt模型计算的边坡体积含水量和滑动面分布存在偏差,边坡安全系数偏小。此外,基于提出的改进Green-Ampt模型能够准确识别最危险滑动面位置。研究成果可为多层非均质边坡降雨入渗分析及降雨型滑坡加固设计及风险防控提供理论参考。

       

      Abstract: The rainfall infiltration analysis of slopes is of a great significance to the reinforcement design, mitigation and risk mitigation of rainfall-induced landslides. The classical Green-Ampt model, whose parameters have clear physical meanings and which is easy to implement, ignores the fact that a transition layer objectively exists in infiltration zone. It cannot effectively analyze the rainfall infiltration process of multi-layered heterogeneous slopes considering the spatial variability of hydraulic conductivity. To this end, an improved Green-Ampt model is proposed for the rainfall infiltration analysis of multi-layered heterogeneous slopes, and it considers the elliptical transition layer of rainfall infiltration and evaluates the water content distributions under different rainfall durations. Additionally, an infinite slope model is taken as an example to validate the effectiveness of the proposed improved Green-Ampt model through four common slope scenarios. The corresponding slope stability analyses under rainfall infiltration are also conducted. The results indicate that the distributions of volumetric water content and the factors of safety evaluated using the proposed model are well consistent with the numerical results of Richards' equation for these four slope cases. In contrast, the modified Green-Ampt model produces the biased distributions of volumetric water content and smaller factors of safety. In addition, the location of the critical slip surface of the slope can be accurately identified using the proposed improved Green-Ampt model. The research outcome provides theoretical references for the rainfall infiltration analysis of multi-layered heterogeneous soil slopes and the reinforcement design and risk control of rainfall-induced landslides.

       

    /

    返回文章
    返回