锚杆张拉力无损测试原理与技术研究

    Nondestructive testing principle and technology of tension of anchor bolts

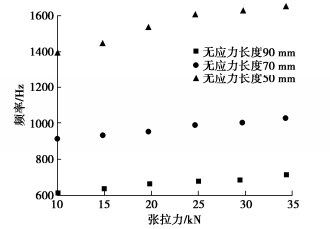
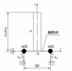
    • 摘要: 基于锚杆锚固体系多接触面特征,建造室内模型研究其锚固体系振动特性。通过在锚杆无应力段顶端安装加速度传感器测试时程信号,经快速傅里叶变换获得锚杆无应力段顶端振动频谱图,其频谱图的卓越频率具有良好的可识别性,据此获得其卓越频率与锚杆张拉力、锚杆无应力长度的变化规律,其卓越频率并非锚杆张拉段横向多阶振动频率。以此为基础建立了视锚固螺母为弹性基础的锚杆弹性振动模型、锚固螺母及锚杆相对螺母与球形垫圈接触面转动的刚体振动模型,分别获得其模型频率方程,基于其识别的卓越频率求解频率方程中的刚度参数,室内与现场试验表明其刚度参数—锚杆张拉力具有良好的线性相关性和单调递增关系。进一步室内模型试验表明其刚度参数—锚杆张拉力关系特征与蝶形托盘接触不同介质、不同锚杆张拉段长度不具有明显的相关性。为此提出了锚杆张拉力无损测试原理、方法与实现的技术路线,现场小规模试验表明本文提出的方法具有可靠性。

       

      Abstract: Based on its multi-contact surface characteristics, an indoor model is built to study the vibration characteristics of the anchorage system of an anchor bolt. By installing an acceleration sensor at the top of the unstressed section of the anchor bolt to test the time-history signals, the vibrating spectra at the top of the unstressed section of the anchor bolt are obtained through the fast Fourier transform. The dominant frequencis of the spectra have good identification, then the variation law of the dominant frequencies with the tension force and the unstressed length of the anchor bolt are obtained. But the dominant frequencies in the unstressed section are not the multi-order vibrating ones of the tension section of the anchor bolt. On this basis, the elastic vibration model for the anchor bolt is established by regarding the nut as an elastic foundation, and the rigid vibration model is established by assuming the nut and the anchor bolt to rotate relative to the contact surface between the nut and the spherical washer, then the frequency equations for the models are obtained, respectively. Based on the identified dominant frequencies, the stiffness parameters in the frequency equations can be solved. The indoor and field tests show that there is a good linear correlation and monotonic increasing relationship between the stiffness parameters and the tension. Further indoor model tests show that its relationship characteristic has no obvious correlation with different media in contact with the butterfly pallet and different lengths of tension section of the the anchor bolt. Therefore, the nondestructive testing principle, method and technical route for the tension of the anchor bolt are put forward. The field small-scale tests show that the proposed method is reliable.

       

    /

    返回文章
    返回