考虑封底效应的圆形围堰渗流场解析解及应用

    Analytical solutions and application of circular cofferdams considering backseal effects

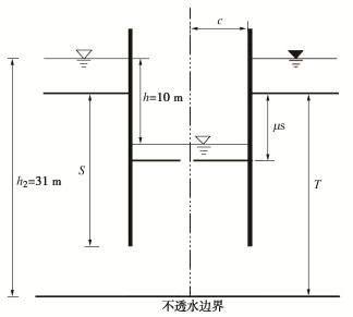
    • 摘要: 将圆形围堰周围渗流场分为4个区域,用分离变量法分别得到柱坐标系下4个区域的水头分布级数解形式,结合区域间的连续条件,并利用贝塞尔函数正交性得到考虑封底效应的圆形围堰稳态渗流场解析解。该解析解能求解成层土情况下围堰涌水量及封底层渗流水压力,并能退化到各向同性土层中围堰未封底情况。通过与数值计算结果以及其他近似法计算结果的对比,证明了该解析解的正确性及有效性。基于解析解,分析了封底层渗流水压力分布规律,结合工程实例探讨了考虑渗流影响的封底层失稳破坏规律。结果表明:渗流作用下封底层所受水压力并非均匀分布,而是呈现中心小四周大的分布形式;封底层渗透系数及厚度会显著影响渗流水压力的大小及分布。

       

      Abstract: The seepage fields around a circular cofferdam are divided into four regions, and the fractional variable method is used to obtain the sequence solutions of the water head distribution in the four regions under the cylindrical coordinate system, combined with the continuous conditions between the regions, and the analytical solutions of the steady seepage fields of the circular cofferdam are obtained by using the bessel function orthogonality. The correctness and effectiveness of the analytical solutions are proved by comparison with the numerical results and those by other approximate methods. The analytical solutions can be used to solve the water inflow of the cofferdam and the water pressure of the concrete at the bottom of the cofferdam in the case of double-layer soil, and can be degraded to the case of the cofferdam without the bottom of the isotropic soil. Based on the analytical solutions, the distribution laws of the seepage water pressure of subsealing concrete are analyzed, and the instability failure laws of subsealing concrete considering seepage influences are discussed through an engineering example. The results show that the water pressure on the concrete under seepage is not uniformly distributed, but in the form of being small in the center and large in the periphery. The permeability coefficient and thickness of the concrete at the bottom of the seal significantly affect the magnitude and distribution of the seepage water pressure.

       

    /

    返回文章
    返回