基于改进Pasternak地基模型的桩柱式桥墩受力变形分析

    Behaviors of pile-column piers based on modified pasternak foundation model

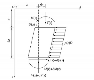
    • 摘要: 倾斜荷载下成层地基中桩柱式桥墩受力变形分析极为复杂。考虑土体塑性屈服特性,提出改进的Pasternak地基模型,结合Timoshenko梁理论,综合考虑桩身剪切变形、“PΔ效应”、桩身轴力分布等影响,分别建立桩柱式桥墩自由段、弹性段、塑性段水平位移控制微分方程,继而引入Laplace正逆变换和矩阵传递法,获得倾斜荷载下成层地基中桩柱式桥墩位移与内力的半解析解。并探讨分析桩、土剪切刚度及地基成层性等因素的影响,结果表明:不同长径比下,增大桩身剪切刚度会增大桩身水平位移,但会减小桩身最大弯矩,且桩身剪切刚度的影响在长径比等于5左右达到最大;而土体剪切刚度对桩身水平位移与最大弯矩均有明显减弱作用,与“PΔ效应”的影响相反;成层地基中,近地表土层强度对桩身水平位移和弯矩影响最大,增大上部土层强度会显著减小桩身水平位移和弯矩。

       

      Abstract: The analysis of behaviors of pile-column piers in layered soils under inclined loads is extremely complicated. An improved Pasternak foundation reaction model considering the plastic yield characteristics of soils is proposed. Considering the influences of 'P-Δ effect', shear deformation and axial force distribution of piles, the governing equations for displacements of free section, elastic section and plastic section of the pile-column pier are respectively established based on the Timoshenko beam theory. Then, the semi-analytical solutions to the internal forces and deformations of the pier in the layered foundation under inclined loads are obtained by using the Laplace transform and the matrix transfer method. On this basis, the influences of shear stiffnesses and foundation stratification are discussed and analyzed in a parametric study. It can be concluded as follows: (1) For the cases with different length-diameter ratios, the horizontal displacement of the piles increases with the increasing shear stiffness of the piles, but the tendency is opposite for the results of bending moment, and the influences of shear stiffness reaches the maximum when the length-diameter ratio reaches approximately 5. (2) Unlike the influences of the 'PΔ effect', the shear modulus of the soils significantly inhibits the horizontal displacement and the bending moment of the piles. (3) In a multi-layer foundation, the strength of upper soil layers has the greatest influences on the horizontal displacement and the bending moment of the piles, and increasing their strength will significantly reduce the horizontal displacement and bending moment.

       

    /

    返回文章
    返回