地面堆载对盾构隧道围压影响的模型试验与理论分析

    Model tests and theoretical analyses of influences of surface surcharge on confining pressure of shield tunnels

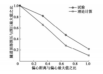
    • 摘要: 盾构隧道周边发生突发性地面堆载时会对管片产生附加荷载,当附加荷载过大时会导致隧道纵缝接头张开、螺栓外露、拱顶部管片结构棱角破损等。针对地面突发性堆载对隧道的危害,采用几何相似比CL=15.5的室内缩尺寸模型试验,综合考虑堆载大小、隧道埋深、堆载位置等影响因素,研究在地面突发堆载下隧道的围压变化情况;采用理论分析的方法研究地面堆载作用下隧道围压以及总围压的变化,最后将相同工况下的理论分析与试验结果进行对比。研究结果表明:当堆载等值逐级累加时,隧道围压的变化量基本呈现等值增大的现象;隧道围压的变化量在一定范围内随偏心距离的增大整体呈现下降趋势,当堆载位置在0.5D0D0为管片外直径)、1D0时偏心侧的隧道围压下降值明显比非偏心侧小,当堆载位置为1.5D0时,隧道两侧围压的变化量基本相同;随着隧道埋深增加,由于隧道顶部土体厚度增加,地面堆载对隧道围压的影响相对减小;理论计算结果与室内模型试验结果的变化趋势非常吻合,从而说明了试验与理论分析的准确性。

       

      Abstract: When sudden surface surcharge occurs around the tunnel, the surface additional stress on the tunnel segments will be generated. When the surface surcharge is too large, it will cause the opening bolts of the longitudinal joints of the tunnel to be exposed, and the structural edges and corners of the segments at the top of the arch will be damaged. In response to the hazards of sudden surface surcharge on the tunnel, the indoor reduced size model tests with geometric similarity ratio CL=15.5 are carried out to study the change of confining pressure of the tunnel comprehensively considering the depth of the tunnel, the size and location of the surcharge. The method of theoretical analysis is used to study the change of confining pressure and total confining pressure of the tunnel under the action of surface surcharge, and finally the theoretical analysis and experimental results are compared under the same working conditions. The results show that when the surchage is accumulated step by step, the change of the confining pressure of the tunnel basically shows an equivalent increase, and it exhibits an overall downward trend with the increase of the eccentric distance within a certain range. When the surcharge position is 0.5D0 and 1D0, the decrease of the confining pressure of the tunnel at the eccentric side is obviously much smaller than that at the non-eccentric side. However, when the surcharge position is 1.5D0, the changes of the confining pressure at both sides of the tunnel are basically the same (D0 is the outer diameter of the tunnel segment). As the buried depth increases, due to the increase in the thickness of the soil at tunnel crown, the influences of the surface surcharge on the confining pressure of the tunnel are relatively reduced. The theoretical results are in good agreement with those of the indoor model tests, and thus the accuracy of the experimental and theoretical analyses is demonstrated.

       

    /

    返回文章
    返回