高应力厚煤层大巷孤立煤体蠕变失稳冲击机理及防治研究

    Creep instability rock burst mechanism and prevention technology of isolated coal mass in roadways of high-stress thick coal seam

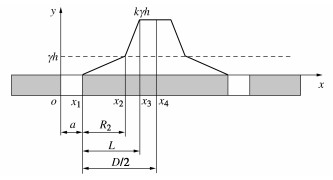
    • 摘要: 针对高应力大巷煤柱区孤立煤体在无明显采掘扰动情况下频繁发生冲击显现的现状,以山东赵楼煤矿七采区高应力厚煤层大巷煤柱为工程背景,采用理论分析、数值模拟和现场调研等方法,研究了不稳定蠕变作用下高应力厚煤层大巷围岩和孤立煤体的应力演化规律,揭示了高应力大巷孤立煤体蠕变失稳冲击机理:在高应力作用下煤层巷道围岩发生不稳定蠕变,不稳定蠕变弱化了巷道支护体系,增大了孤立煤体的应力集中程度,当大巷孤立煤体弹性承载区集中应力超过其极限承载能力时,高应力孤立煤体发生冲击失稳。建立了高应力厚煤层大巷孤立煤体蠕变失稳及冲击力学模型,推导出了大巷孤立煤体蠕变失稳冲击的力学判据,据此提出了高应力厚煤层大巷孤立煤体冲击地压防治对策,通过现场实践验证了理论分析的合理性。

       

      Abstract: In view of the present situation of frequent rock burst appearances of isolated coal body in coal pillar areas of high-stress roadways without obvious mining disturbance, taking the coal pillar of the high-stress thick coal seam in the seventh mining area of Zhaolou Coal Mine in Shandong Province as the engineering background, creep instability rock burst mechanism and prevention technology of isolated coal mass in roadways of high-stress thick coal seam are investigated though theoretical analysis, numerical simulation and on-site investigation. Firstly, the stress evolution laws induced by unstable creep instability of the surrounding rock and the isolated coal body in the roadways of high-stress thick coal seam are studied. Secondly, the mechanism of rock burst induced by creep instability of isolated coal in high-stress roadways is revealed. The results show that the overall instability rock burst is easily induced, when the concentrated stress in the elastic bearing zone of isolated coal body exceeds its ultimate bearing capacity. Thirdly, the creep instability and rock burst mechanical model for isolated coal body in roadways of high-stress thick coal seam is established, and the mechanical criterion of creep instability and rock burst of isolated coal body in roadways is deduced. Finally, the relevant measures are put forward to prevent and control this type of rock burst. The rationality of the theoretical analysis is verified through field practices.

       

    /

    返回文章
    返回