低渗地层盾构隧道壁后注浆压密-劈裂扩散模型研究

    Compaction-fracture diffusion model for backfill grouting of shield tunnels in low permeability strata

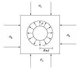
    • 摘要: 通过对盾构隧道环向浆液压力分布、起劈压力分布的计算,建立了低渗地层盾构隧道壁后注浆压密-劈裂扩散模型,提出了环向劈裂区间角及其计算方法,给出了浆液扩散距离与劈裂通道宽度计算式,并分析土体侧压力系数、盾构埋深对劈裂区间角的影响及土体弹性模量、浆液黏度对浆液最大扩散距离与劈裂通道宽度的影响,结合理论对盾构掘进过程中地表冒浆问题进行了讨论。研究结果表明:在低渗地层进行盾构隧道壁后注浆时,浆液在劈裂区间角内以劈裂形式扩散,在其余区域以压密形式扩散;劈裂区间角与土体侧压力系数、隧道埋深均呈负相关关系;最大扩散距离与注浆压力差,最大通道宽度与最大扩散距离均呈指数关系,其指数分别为4,0.25;正常注浆参数下,浆液向下扩散距离远大于向上扩散距离,结合某城际铁路盾构隧道实际注浆参数及地层参数,分析了地表冒浆的原因,进一步验证了该扩散模型的合理性。

       

      Abstract: Based on the calculation of annular grout pressure distribution and fracturing pressure distribution of shield tunnels, the grouting compaction-fracture diffusion model for shield tunnel segments in low permeability strata is established, the annular fracturing interval angle and its calculation method are proposed, and the formula for calculating the diffusion distance and channel width is given. The influences of lateral pressure coefficient of soils and buried depth of shield on the fracturing interval angle as well as those of elastic modulus of soils and grout viscosity on the maximum diffusion distance and channel width are analyzed. The results show that the grout diffuses in fracture mode in the fracture interval angle, and the grout diffuses in compaction mode in the other regions. The fracturing interval angle is negatively correlated with lateral pressure coefficient of soils and tunnel depth. The relationship between the maximum diffusion distance and the grouting pressure difference and that between the maximum channel width and the maximum diffusion distance are both exponential, and the indices are 4 and 0.25, respectively. Under the normal grouting parameters, the downward diffusion distance of the diffusion grout is much larger than the upward one. Based on the actual grouting parameters and stratum parameters of an inter-city railway shield tunnel, the causes for surface grout-oozing are analyzed, and the rationality of diffusion model is further verified.

       

    /

    返回文章
    返回