人工制备遗址土非线性蠕变本构模型研究

    Nonlinear creep constitutive model for artificially prepared site soil

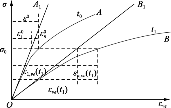
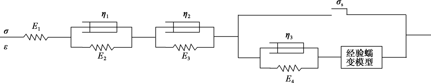
    • 摘要: 通过三轴蠕变试验,研究了糯米浆掺入量对人工制备遗址土三轴蠕变特性的影响。试验结果表明,在添加了一定量的糯米浆后,人工制备遗址土三轴蠕变量明显减小,稳定时间增长。随着添加糯米浆质量的增加,人工制备遗址土的蠕变量呈现出先减小后增大的趋势,在土与糯米浆质量比为90∶10时,蠕变量达到最小。人工制备遗址土三轴蠕变具有明显的非线性,时间越长,非线性越强。将总的变形分解为线性黏弹性变形、线性黏塑性变形和非线性黏塑性变形,利用模型理论描述其线性应变部分,非线性部分采用经验公式,建立了适合人工制备遗址土三轴蠕变特性的非线性半经验半理论黏弹塑性蠕变本构模型。该模型能较好的描述人工制备遗址土三轴蠕变特性,此非线性蠕变模型以元件模型为骨架,经验公式是对理论模型的非线性修正,具有较高的适用性。

       

      Abstract: Through the triaxial creep tests, the influences of the mixing amount of glutinous rice slurry on the triaxial creep characteristics of artificially prepared relic soil are studied.The test results show that after adding a certain amount of glutinous rice slurry, the triaxial creep of the artificially prepared ruins soil is significantly reduced, and the stable time increases.With the increase in the quality of the glutinous rice slurry, the creep value of the artificially prepared ruins soil shows a trend of first decreasing and then increasing.When the mass ratio of soil to glutinous rice slurry is 90∶10, the creep value reaches the minimum.The triaxial creep of artificially prepared relic soil has obvious nonlinearity, and the nonlinearity becomes stronger with time.The total deformation is decomposed into linear viscoelastic deformation, linear viscoplastic deformation and nonlinear viscoplastic deformation.The linear strain part is described by the model theory, and the nonlinear part adopts empirical formulas to establish the nonlinear, semi-empirical and semi-theoretical viscoelastic-plastic creep constitutive model, suitable for artificial preparation of site soil.This model can better describe the triaxial creep characteristics of artificially prepared site soils.This nonlinear creep model is based on the element model.The empirical formula is a nonlinear correction of the theoretical model and has high applicability.

       

    /

    返回文章
    返回