基于改进角点理论的砂土非共轴模型及其应用

    Non-coaxial sand model based on improved vertex theory and its application

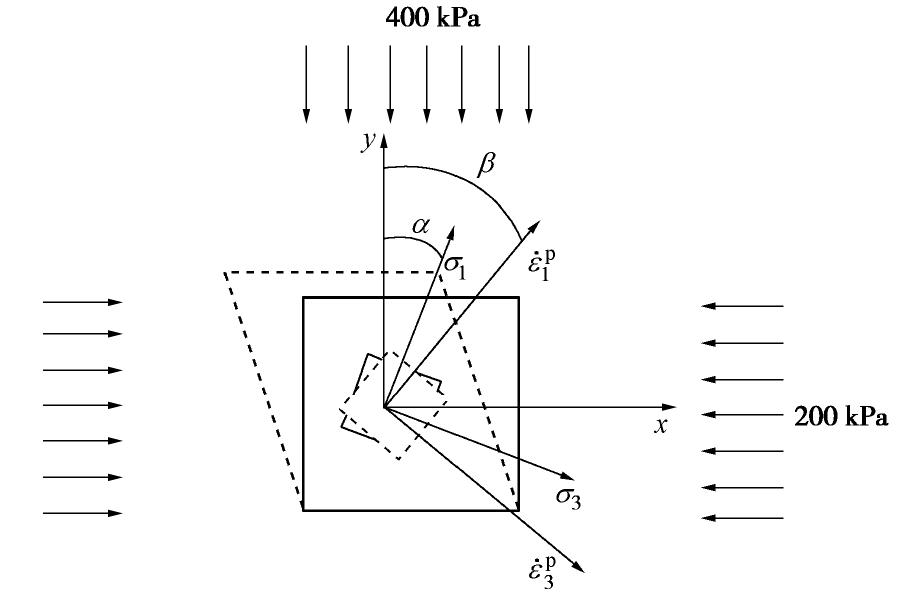
    • 摘要: 基于传统角点理论建立的非共轴模型虽然能够描述砂土的非共轴行为,但却具有一定的理论缺陷。提出了一种改进的角点理论并将其应用到了砂土状态相关剪胀模型中,从而建立了一个新的砂土非共轴模型。该模型仅在主应力方向改变的加载条件下给出非共轴塑性变形,克服了传统角点模型的不足。构建了模型的隐式积分算法和相应的一致性切线刚度张量,并通过Toyoura砂的单剪试验对算法进行了验证,证明了算法的正确性。最后,利用建立的模型分析了条形基础的承载力,预测结果表明:非共轴塑性的引入使得地基模型整体刚度下降,导致力学响应表现出一些软化特征,忽略非共轴塑性的影响可能导致工程设计偏于危险。

       

      Abstract: Although the non-coaxial models based on the traditional vertex theory can capture the non-coaxial behavior of sand, they contain some theoretical defects. An improved vertex theory is proposed and added to the state-dependent dilatancy model for sand, thus a new non-coaxial sand constitutive model is established. In this model, the non-coaxial plastic deformation is given only under loading conditions involving the change of the principal stress direction, which overcomes the shortcomings of the traditional vertex non-coaxial models. The implicit stress integration algorithm and consistent stiffness tensor of the model are given, and then the algorithm is verified by the simple shear experiment on Toyoura sand. Finally, the bearing capacity of strip foundation is analyzed by using the established model. The predicted results show that the introduction of the non-coaxial plasticity reduces the overall stiffness of the foundation model and results in a softer mechanical response, and neglecting the non-coaxial influences may lead to unsafe design.

       

    /

    返回文章
    返回