海床中落锚问题的模型试验和大变形有限元研究

    Study on anchor dropping in seabed based on model tests and large deformation finite element method

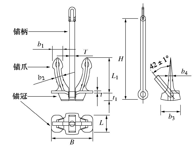
    • 摘要: 落锚在海床中的贯入问题既影响着后续的拖锚行为,又对铺设于海底的管道、电缆、隧洞等有着较大的威胁。基于耦合欧拉-拉格朗日大变形有限元方法,建立了关于落锚在黏性土海床上贯入问题的计算模型,考虑了黏土强度与重度随深度的变化,通过与模型试验结果的对比验证了模型的准确性。文章揭示了锚在贯入海床过程中锚的受力、速度及贯入深度等随贯入时间的发展规律,并利用有限元模型分析了土体强度、初始触底速度等参数对落锚贯入问题的影响。

       

      Abstract: The penetration of anchors in the seabed affects the subsequent towing behavior and poses a great threat to pipelines, cables and tunnels laid on the seabed. Based on the coupled Euler-Lagrangian large deformation finite element method, a model for calculating the penetration of anchors in the cohesive soil seabed is established. The variation of clay strength and gravity with depth is considered. The comparison between the numerical results and the model test results shows a good agreement. The development laws of anchor force, velocity and penetration depth during the penetration of the anchor into the seabed are revealed. The influences of the parameters of soil strength, initial bottoming speed and other parameters on the penetration of the anchor are analyzed.

       

    /

    返回文章
    返回