花岗岩细观破裂特征及宏观尺度效应的颗粒流研究

    Particle flow of meso-fracture characteristics and macro-scale effect of granites

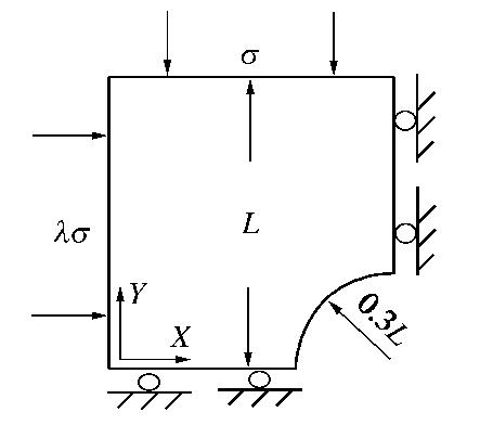
    • 摘要: 基于颗粒流方法,提出可变半径比例Clump结构的构建方法,分析颗粒流细观参数及细观结构特征对模拟岩石试件拉、压特性的影响规律,构建适用于花岗岩力学特性的Clump颗粒流结构模型,验证可变半径比例Clump结构及细观力学参数的可靠性;构建不同尺度的深部洞室颗粒流模型,分析深部围岩宏观破裂的尺度效应。研究表明,Ball和Clump模型的拉压比对细观力学参数变化的敏感度小,可变半径比例Clump模型的力学特性对粒径尺寸及比例变化的敏感度大;对比分析花岗岩室内试验与数值模拟的拉、压强度曲线及破裂模式,基于可变粒径比例的Clump计算模型与试验结果基本吻合;采用小尺度颗粒模型的深部围岩宏观破裂区主要以局部区域破碎为主,随着颗粒模型尺度逐渐增大,围岩表现出明显的剪切滑移及板裂破坏特征,构建的深部围岩颗粒流模型具有明显的宏观破裂尺度效应。

       

      Abstract: A formulation method for variable radius proportional clump structure is proposed according to the particle flow method. The effects of mesoparameters and meso-structural characteristics of particle flow on the compressive and tensile properties of simulated rocks are investigated. A clump particle flow structure is constructed, which is suitable for the mechanical characteristics of granite. The reliability of clump structure with variable radius ratio and meso-mechanical parameters is verified. The particle flow models for deep caverns with different sizes are developed, and the scale effect of macro fractures of deep surrounding rock is evaluated. The research results show that the tensile compression ratios of ball and clump models are less sensitive to the changes of meso parameters, and the mechanical properties of variable radius proportional clump model are more sensitive to the changes of particle size and proportion. Using the clump models with different particle size ratios, the compressive and tensile strength curves and fracture modes of numerical simulations and experimental tests are investigated. A good compliance is observed between the numerical and experimental findings. In the small-scale particle model, the fracture zones of the surrounding rocks are mainly broken in local area. By increasing the particle model scale, the clear shear-slip fracture characteristics appear. Simulating the fracture properties by the particle flow model for deep surrounding rocks exhibits clear macro-scale effects.

       

    /

    返回文章
    返回