基于不排水强度的黏土基坑抗隆起稳定计算方法

    Analysis method for basal stability of braced excavations in clay based on undrained shear strength

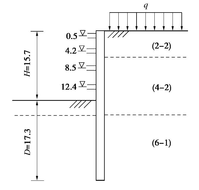
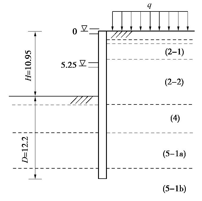
    • 摘要: 目前的基坑抗隆起稳定计算方法多是直接采用固结不排水强度指标进行计算,这种方法对于软黏土地层的计算在理论上是不合理的,且传统的圆弧滑动法未考虑最下道支撑以上土体强度的发挥。针对上述问题,通过将固结不排水强度指标转换成不排水抗剪强度,考虑最下道支撑以上土体强度的发挥,对传统圆弧滑动法进行了改进,并进一步提出了基于不排水强度的圆弧机构上限分析方法。工程算例分析表明,传统圆弧滑动法得到的安全系数普遍偏高,而所提出上限分析方法计算得到的结果则更为合理。

       

      Abstract: At present, the analysis method for basal stability is mostly based on the consolidated undrained shear strength index. The method is unreasonable in theory for the soft clay and does not consider the strength of the soil above the lowest support. To solve the above problems, the traditional analysis method for basal stability is improved. The consolidated undrained shear strength index is converted into undrained shear strength, and the strength of the soil above the lowest support is considered. Furthermore, the circular arc mechanism of the upper bound limit analysis based on the undrained shear strength is proposed. Through the calculations of engineering cases, the factors of safety obtained by the traditional circular sliding method is generally high, while the results obtained by the proposed upper-bound solution are more reasonable.

       

    /

    返回文章
    返回