基于级配方程的粗粒土渗透系数经验公式及其验证

    Empirical formula for permeability coefficient of coarse grained soil based on gradation equation and its verification

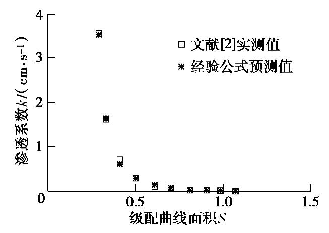
    • 摘要: 粗粒土广泛应用于土石坝工程和道路工程,其渗流特性关系到工程的稳定性和安全性,渗透系数是衡量其渗流特性的基本参数,其中级配是影响渗流的关键影响因素。为研究级配对粗粒土渗透系数的影响,基于已有研究的渗透试验成果,采用连续级配方程对级配连粗粒土试验级配进行定量描述,研究级配与渗透系数的关系,建立了考虑级配曲线面积的渗透系数经验公式,并用现有其它文献的渗透试验成果验证所建立公式的适用性。结果表明,采用连续级配方程可以较好地定量描述级配连续粗粒土的级配曲线;基于级配面积建立的渗透系数经验公式适用于不同最大粒径及不同级配的粗粒土。

       

      Abstract: The coarse-grained soil is widely used in earth-rock dams and road projects. Its seepage characteristics are related to the stability and safety of the projects. The permeability coefficient is the basic parameter of seepage characteristics, and the gradation is the key factor affecting seepage. In order to study the effect of gradation on the permeability coefficient of the coarse-grained soil, based on the results of permeability tests in the existing literatures, a continuous gradation equation is used to describe the gradation of quantitatively graded coarse-grained soil, the relationship between the gradation and the permeability coefficient is studied, and an empirical formula for the permeability coefficient considering the area of gradation curve is established, and other literatures are used to study the relationship between the gradation and the permeability coefficient. The results show that the gradation curve of graded continuous coarse-grained soil can be quantitatively described by the continuous gradation equation, and the empirical formula for the permeability coefficient based on gradation area can be applied to the coarse-grained soil with different maximum particle sizes and gradations.

       

    /

    返回文章
    返回