考虑上拔荷载影响的水平受荷斜桩py曲线

    py curve of laterally loaded batter piles considering effect of uplift loads

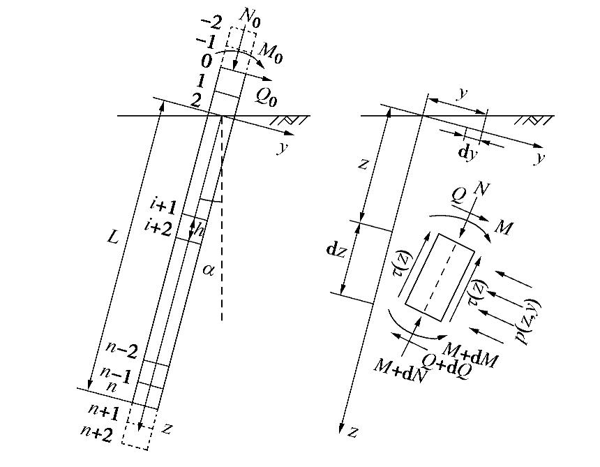
    • 摘要: 为揭示砂土中上拔荷载对水平受荷斜桩性状的影响规律,开展了9根斜/直桩模型试验,实测获得了上拔与水平荷载共同作用下的桩顶荷载位移曲线及桩身应变,计算得到了桩侧土抗力p及相应的桩身横向位移y,建构了考虑上拔荷载影响的水平受荷斜桩双曲线型py曲线,给出了地基土初始反力模量及极限土抗力的确定方法。该py曲线能反映水平与上拔荷载共同作用下斜桩与桩侧土之间复杂的挤压、剪切相互作用。基于文中建立的py曲线,编写程序分析了斜桩的承载变形性状及内力分布规律,研究了桩顶上拔荷载大小、桩顶约束条件对水平受荷斜桩承载性状和内力分布的影响,结果表明:①不论桩顶自由还是固支,上拔荷载增大时,正斜桩桩身横向位移、弯矩及剪力均减小,而负斜桩桩身横向位移、弯矩及剪力均增大;②相同的水平及上拔荷载作用下,正斜桩桩身横向位移、弯矩及剪力均小于负斜桩;③相同的上拔荷载作用下,水平受荷斜桩在桩顶固支条件下桩身横向位移、弯矩及剪力较小,而桩顶自由条件下则较大。

       

      Abstract: A series of model tests on a single pile are conducted under combined loading. Based on the load-displacement curves of pile head and strains of pile body obtained from model tests, the lateral soil resistance and the corresponding lateral displacement of pile body are calculated. A hyperbolic py curve is established to study the influences of uplift loads on the behavior of laterally loaded batter piles, and the approaches to calculate the initial subgrade reaction coefficient and the limit soil resistance are presented. This py curve can reflect the complex squeezing and shearing interaction between the batter piles and the surrounding soils under combined loading. Based on the established py curve, the influences of pile-top restraint conditions and uplift loads on the load-deformation behavior and internal force distribution of laterally loaded batter piles are analyzed. The results of the analysis show that: (1) Whether the pile head is free or fixed, the lateral displacement, shear force and bending moment of the positive batter piles decrease with the increase of the uplift loads, while the opposite characteristics are observed for the negative batter piles. (2) Under the same load condition, the lateral displacement, bending moment and shear force of the positive batter piles are less than those of the negative inclined ones. (3) The lateral displacement, bending moment and shear force of the batter piles under the fixed pile head are less than those under the free one.

       

    /

    返回文章
    返回