岩石黏弹塑性损伤蠕变模型研究

    Viscoelastic-plastic damage creep model for rock

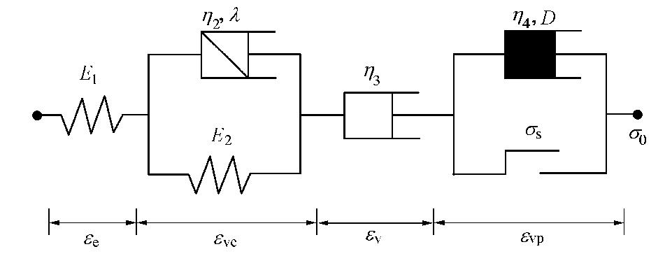
    • 摘要: 岩石蠕变力学采用在经典元件模型基础上引入非线性元件和蠕变损伤的方法,来解决经典元件模型不能描述岩石整个蠕变过程中的非线性特征问题。首先分析这类方法在模型参数辨识、损伤蠕变方程建立和屈服条件选择等方面的不严谨之处,然后根据非线性流变理论以及损伤理论采用和构建弹性体、非线性Kelvin体、黏性体和损伤黏塑性体,并将四者串联,建立能够同时描述岩石瞬时弹性应变、非线性黏弹性应变、黏性应变和非线性黏塑性应变的损伤蠕变模型。推导岩石在恒应力情况下的一维、三维微分型损伤本构方程,再根据叠加原理得到损伤蠕变方程,结合蠕变曲线特征给出简单可行的模型参数辨识方法。最后采用砂岩分级加载单、三轴压缩蠕变试验曲线与理论曲线和预测曲线进行对比来验证模型的适用性。结果表明两者吻合程度较高,黏弹塑性损伤蠕变模型不仅可以精确反映衰减、等速阶段蠕变曲线的非线性特征,而且能够描述岩石在高应力状态下的加速蠕变特征,其适用性得到验证。

       

      Abstract: Based on the classical element model, the nonlinear element and the creep damage are introduced to solve the problem that the classical element model cannot describe the non-linear characteristics of rock during the whole compressive creep process. Firstly, the inaccuracies of these methods in the identification of model parameters, the establishment of equation for damage creep and the selection of yield conditions are analyzed. After that, an elastic body, a non-linear Kelvin body, a viscous body and a damage viscoplastic body are constructed based on the non-linear rheological theory and damage theory, and the four bodies are connected in series to establish a damage creep model which can simultaneously describe the instantaneous elastic strain, the non-linear viscoelastic strain, the viscous strain and the non-linear viscoplastic strain of rock. The one-dimensional and three-dimensional differential damage constitutive equations for rock under constant stress are derived, and the equation for damage creep is obtained according to the superposition principle. Considering the characteristics of creep curve, a simple and feasible identification method for model parameters is given. Finally, the applicability of the model is verified by comparing the creep test curve of sandstone under uniaxial and triaxial compressions with the theoretical curve and prediction curve. The results show that the proposed model fits well the test data. The viscoelastic-plastic damage creep model can accurately reflect the non-linear characteristics of creep curves in attenuation and steady stages and describe the accelerated creep characteristics of rocks in high stress state.

       

    /

    返回文章
    返回