考虑土拱发挥过程的非饱和砂土盾构隧道极限支护力计算方法研究

    Calculation of ultimate supporting forces of shield tunnels in unsaturated sandy soils considering soil arching effects

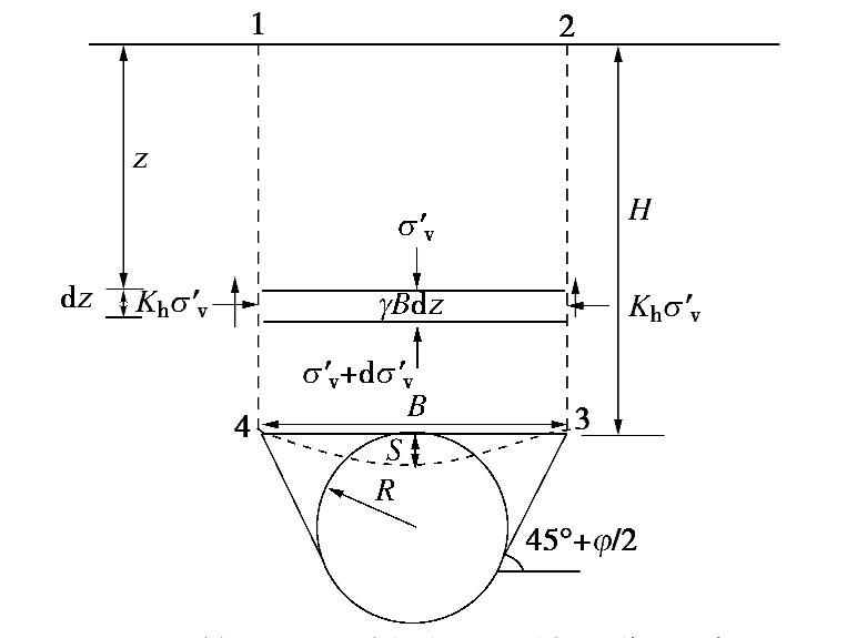
    • 摘要: 因施工中受注浆及掘进参数影响,地层损失引起的土拱效应逐渐发挥,滑面上剪应力逐渐增大至抗剪强度,同时应考虑表观黏聚力对剪应力的贡献作用,而Terzaghi公式并不能体现这些因素。针对该问题,基于主应力偏转理论,推导了非饱和砂土不同位置的侧压力系数公式,结合表观黏聚力公式和试验数据,得到与基质吸力相关的分段形式的表观黏聚力表达式,进而推导出不同土拱效应发挥程度下的松动土压力及盾构极限支护力的计算公式。算例结果表明同一埋深下,不同饱和度土层中拱顶处松动土压力随土拱效应发挥而逐渐减小且均远小于自重应力。随着含水率的增大松动土压力存在一个阈值;不同土拱效应发挥程度下,埋深越大,不同饱和度地层拱顶处松动土压力趋向不同的定值;盾构极限支护力公式计算结果亦存在同样规律,该结论将为非饱和砂土层盾构施工过程中土仓压力的合理设置提供理论指导,保证施工安全。

       

      Abstract: Due to the influences of grouting parameters and tunnelling parameters in the actual construction, the soil arching effects caused by the ground loss gradually in-crease, and the shear stress on the sliding surface increases to the shear strength gradually. The contribution of the apparent cohesion of unsaturated sandy soils to the shear stress should be also considered. However, the above factors are not considered in Terzaghi's formula. In order to solve the problem, based on the principal stress rotation theory, the expressions for the lateral pressure coefficient of unsaturated sandy soils at different positions are deduced. Based on with the theoretical formula for the apparent cohesion and the experimental data, a piecewise function for the apparent cohesion related to the matric suction is obtained, and the formula for loosening soil pressure as well as the formula for ultimate supporting force is derived in consideration of different soil arching effects. The results of the example show that with the soil arching effects, at the same depth, the loosening soil pressure decreases gradually and it is always less than the self-weight stress. With the increase of water content, there is a threshold value for the loosing earth pressure. Under different soil arching effects, with the increase of the depth, the loose earth pressure at the arch crown of strata with different saturations will tend to different constant values. Meanwhile, the formula for the limit supporting forces of shield tunnels has the same law. This research results will provide theoretical guidance for controlling reasonable chamber pressure of shield tunnelling in the unsaturated sandy soils, and ensure the safety of construction.

       

    /

    返回文章
    返回