有限土体下考虑土拱效应的非极限主动土压力解

    Method to calculate active earth pressure considering soil arching effect under nonlimit state of clay

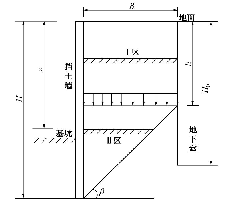
    • 摘要: 以挡土墙后有限范围黏土为研究对象,考虑非极限状态下的土拱效应,并采用塑性上限理论求得的破裂面夹角和多滑裂面假设得到的侧向土压力系数变化规律,推导了有限土体的主动土压力解析式,该公式也可退化为半无限宽度的主动土压力公式。与模型试验相比,所提理论解与试验值取得了较好的一致性,证明了解析解的合理性。进一步参数分析表明:破裂面夹角随土体内摩擦角φ呈线性增长;随有限土体宽高比B/H减小而小幅增加;与地下室挡墙外摩擦角和内摩擦角的比值α/φ呈正相关,而与基坑挡土墙外摩擦角和内摩擦角的比值δ/φ呈负相关;在α/φ大于或略小于δ/φ时,破裂面夹角随位移比η单调增加,而当α/φ远小于δ/φ时,破裂面夹角随η增加先增大后减小。主动土压力随B/H减小而单调降低,其分布由子弹形逐渐转变为钟形;主动土压力值与δ/φα/φφ都呈负相关,且随δ/φφ的增加非线性逐渐增强。

       

      Abstract: By taking the limited range of clay behind the retaining wall as the research object, considering soil arching effect under non-limit state, and adopting the angle of the fracture surface obtained by the plastic upper limit theory and the variation law of lateral earth pressure coefficient obtained by hypothesis of multiple slip surfaces, an analytical formula for the active earth pressure of finite soil is derived. The expression can also be reduced to the formula for the active earth pressure with half-infinite width. Compared with that of the model test, the proposed theoretical solution is in preferably consistency with the experimental value. So the rationality of the analytical solution is proved. Further parameter analysis shows that the angle of the rupture surface increases linearly with the friction angle of the soil. The angle of the rupture surface increases slightly as the aspect ratio of the limited soil B/H decreases. The angle of the rupture surface and the ratio of the outer friction angle of the basement retaining wall to the inner friction angle α/φ are positively correlated. The angle of the rupture surface and the ratio of the outer friction angle of the foundation pit retaining wall to the inner friction angle δ/φ are negatively correlated. When α/φ is greater than or slightly less than δ/φ, the angle of the rupture surface increases monotonically with the displacement ratio η. And when α/φ is much smaller than δ/φ, the angle of the rupture surface increases first and then decreases with the increase of η. The active earth pressure decreases monotonously with the reduction of B/H, and its distribution gradually changes from bullet shape to bell shape. The value of active earth pressure is negatively correlated with δ/φ,α/φ and φ, and the nonlinearity of active earth pressure curve gradually increases with the increase of δ/φ and φ.

       

    /

    返回文章
    返回